Actuator & Valve Technology
We want to ask you supports of customers for
proposal optimized system suitable for various industries.
PRODUCT
- Home>
- PRODUCT>
- Concentric_Butterfly_Valve
Concentric_Butterfly_Valve

Concentric_Butterfly_Valve
BUTTERFLY VALVE is a valve that opens and closes as the disc rotates from 0 to 90 degrees about the center line of the disc. It is widely used for various fluids such as water, air, and gas.
BUTTERFLY VALVE is a valve that opens and closes as the disc rotates from 0 to 90 degrees about the center line of the disc. It is widely used for various fluids such as water, air, and gas.

- SPECIFICATION
- Size : 50A ~ 1,000A
- Pressure : 10Kg/cm2
- Connection : WAFER , LUG , ETC TYPE
- Operating : Manual(Lever, Gear ,Bare Shaft), Pneumatic, Electric, Hydraulic, Electro-Hydraulic
- FEATURES
- Low Operating torque
- Easy to install due to its small weight compared to other valves
- Since Rubber Seat acts as a gasket, no separate gaskets are required for installation
- It can be used for various purposes in various industrial fields such as shipbuilding, waterworks, power plant plan
MATERIALS
| PART NAME | MATERIALS | ||
|---|---|---|---|
| SPECIFICATION | KS | ASTM | |
| BODY | CAST IRON, DUCTILE IRON | GC200, GCD450 | A126 Cl B, A395/A536 |
| CARBON STEEL, STAINLESS STEEL | SCPH2, SSC13 | A216WCB, A351 CF8 | |
| DISC | STAINLESS STEEL | SSC13, SSC14 | A351 CF8, A351CF8M |
| STEM | STAINLESS STEEL | STS410, STS630, STS316 | A276 Tp 410, 17-4PH |
| SEAT | RUBBER SEAT | NBR, EPDM, VITON | NBR, EPDM, VITON |
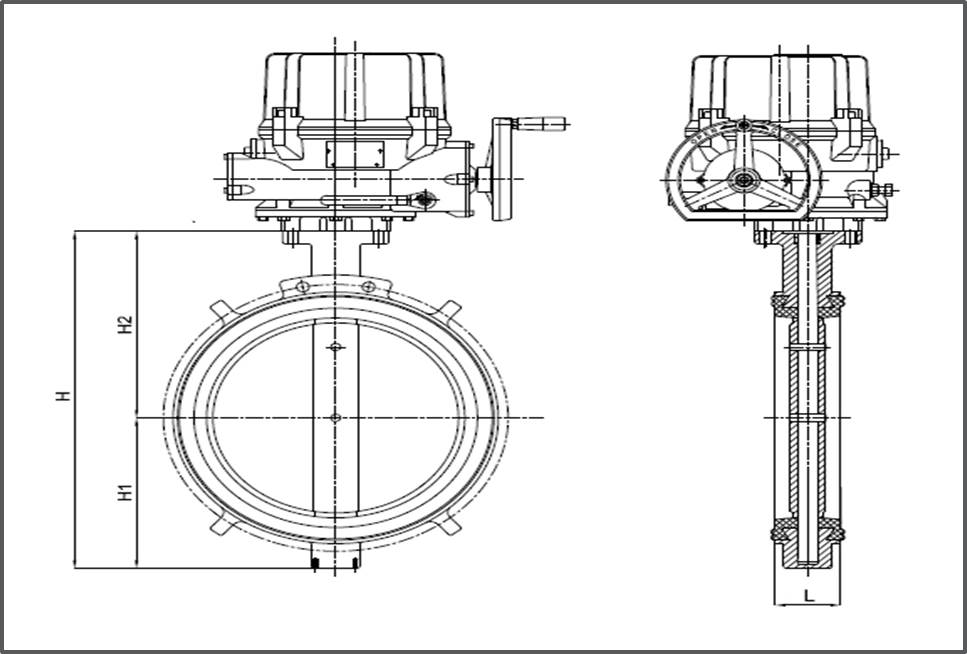
OPERATING TYPE
-

- Manual
- (Model. AVM)
-

- Pneumatic
- (Model. AVP)
-

- Electric
- (Model. AVE)
-

- Hydraulic
- (Model. AVH)
-

- Electro-Hydraulic
- (Model. AVEH)

- Bare Shaft
- (Model. AVB)
VALVE TORQUE TABLE
Size CONCENTRIC TYPE 3bar 5bar 10bar mm(A) inch kg-m Nm kg-m Nm kg-m Nm 50 2" 0.72 7.09 0.90 8.86 1.13 11.08 65 2.5" 0.9 8.86 1.13 11.08 1.58 15.51 80 3" 1.18 11.52 1.47 14.4 2.03 19.94 100 4" 1.36 13.29 1.7 16.62 2.26 22.16 125 5" 2.08 20.38 2.6 25.48 3.39 33.23 150 6" 2.53 24.82 3.17 31.02 4.3 42.1 200 8" 6.44 63.15 8.06 78.99 18.48 181.48 250 10" 12.66 124.08 16.73 163.96 29.05 284.71 300 12" 22.16 217.13 27.7 271.42 39.57 387.74 350 14" 37.08 363.37 46.35 454.21 65.57 642.54 400 16" 46.12 451.99 57.65 564.99 81.39 797.63 450 18" 59.46 582.72 72.01 705.69 111.35 1091.21 500 20" 76.53 750 95.52 936.11 156 1528.8 550 22" 85.55 838.4 106.94 1048 175.22 1717.13 600 24" 122.09 1196.45 152.61 1495.57 224.96 2204.57 650 26" 161.88 1586.41 202.35 1983.01 288.26 2824.96 700 28" 194.43 1905.46 243.04 2381.83 351.57 3445.34 750 30" 235.13 2304.28 293.91 2880.35 427.3 4187.58 800 32" 284.87 2791.72 356.09 3489.65 503.04 4929.83 850 34" 321.04 3146.23 401.3 3932.78 582.17 5705.3 900 36" 393.39 3855.23 491.74 4819.04 723.48 7090.09 1000 40" 596.87 5849.32 688.7 6749.22 970 9506 CONCENTRIC WAFER TYPE : 50A(2") ~ 400A(16")

1. FLANGE RATING : JIS, PN, ANSI B 16.5 CALSS 150
2. FACE TO FACE : ISO 5752
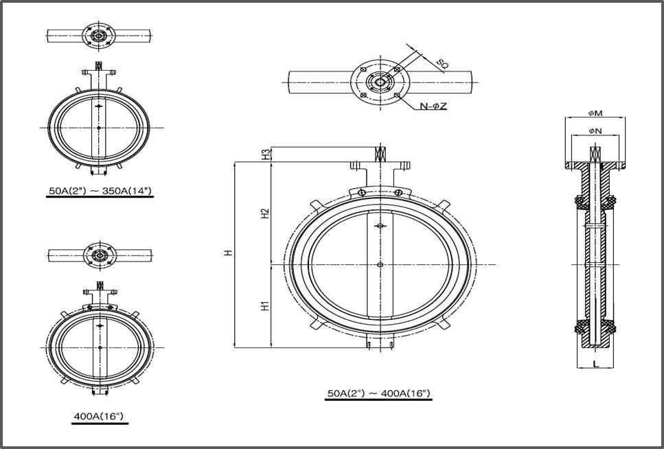
VALVE DIMENSION(unit : mm)`SIZE L APPROX. STEM TOP FLANGE WEIGHT(APPROX.)(kg) mm(A) inch H H1 H2 H3 SQ TYPE ØN ØM N-ØZ 50 2" 43 183 55 128 15 11 F07 70 90 4-Φ9 10 65 2.5" 46 206 66 140 15 11 F07 70 90 4-Φ9 11 80 3" 46 225 75 150 20 11 F07 70 90 4-Φ9 11 100 4" 52 260 95 165 20 11 F07 70 90 4-Φ9 12 125 5" 56 293 115 178 20 17 F07 70 90 4-Φ9 13 150 6" 56 320 130 190 20 17 F07 70 90 4-Φ9 15 200 8" 60 385 155 230 25 17 F10 102 125 4-Φ12 19 250 10" 68 485 215 270 25 22 F10 102 125 4-Φ12 37 300 12" 78 561 251 310 25 22 F12 125 150 4-Φ14 47 350 14" 78 605 270 335 30 27 F12 125 150 4-Φ14 67 400 16" 102 695 325 370 30 27 F14 140 175 4-Φ18 91
FOLD
CONCENTRIC WAFER TYPE : 450A(18") ~ 1000A(40")

1. FLANGE RATING : JIS, PN, ANSI B 16.5 CALSS 150
2. FACE TO FACE : ISO 5752
VALVE DIMENSION(unit : mm)`SIZE L APPROX. STEM TOP FLANGE WEIGHT(APPROX.)(kg) mm(A) inch H H1 H2 H3 ØD KEY SIZE TYPE ØN ØM N-ØZ 450 18" 114 714 324 390 80 40 12x8 F14 140 175 4-Φ18 104 500 20" 127 770 355 415 80 55 16x10 F16 165 210 4-Φ22 154 550 22" 154 887 425 462 80 55 16x10 F16 165 210 4-Φ22 191 600 24" 154 920 425 495 80 65 18x11 F16 165 210 4-Φ22 240 650 26" 165 1015 490 525 80 65 18x11 F16 165 210 4-Φ22 272 700 28" 165 1070 515 555 90 65 18x11 F16 165 210 4-Φ22 305 750 30" 190 1140 550 590 90 65 18x11 F25 254 300 8-Φ18 373 800 32" 190 1232 592 640 90 80 20x12 F25 254 300 8-Φ18 403 850 34" 210 1262 612 650 100 80 22x14 F25 254 300 8-Φ18 526 900 36" 203 1358 658 700 100 80 22x14 F25 254 300 8-Φ18 607 1000 40" 216 1555 725 830 100 95 25x14 F30 298 350 8-Φ23 829
FOLD
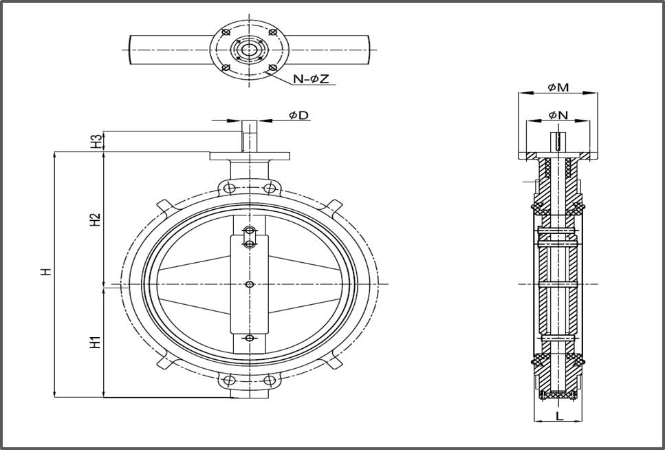
PNEUMATIC ACTUATOR TYPE : 50A(2") ~ 400A(16")

1. FLANGE RATING : JIS, PN, ANSI B 16.5 CALSS 150
2. FACE TO FACE : ISO 5752
VALVE DIMENSION(unit : mm)`SIZE L APPROX. TORQUE TABLE WEIGHT(APPROX.)(kg) 10bar mm(A) inch H H1 H2 kg-m Nm 50 2" 43 183 55 128 1.13 11.08 13 65 2.5" 46 206 66 140 1.58 15.51 14 80 3" 46 225 75 150 2.03 19.94 14 100 4" 52 260 95 165 2.26 22.16 15 125 5" 56 293 115 178 3.39 33.23 16 150 6" 56 320 130 190 4.3 42.1 20 200 8" 60 385 155 230 18.48 181.48 24 250 10" 68 485 215 270 29.05 284.71 47 300 12" 78 561 251 310 39.57 387.74 57 350 14" 78 605 270 335 65.57 642.54 87 400 16" 102 695 325 370 81.39 797.63 111
FOLD
PNEUMATIC ACTUATOR TYPE : 450A(18") ~ 1000A(40")

1. FLANGE RATING : JIS, PN, ANSI B 16.5 CALSS 150
2. FACE TO FACE : ISO 5752
VALVE DIMENSION(unit : mm)`SIZE L APPROX. TORQUE TABLE WEIGHT(APPROX.)(kg) 10bar mm(A) inch H H1 H2 kg-m Nm 450 18" 114 714 324 390 111.35 1091.21 134 500 20" 127 770 355 415 156 1528.8 204 550 22" 154 887 425 462 175.22 1717.13 204 600 24" 154 920 425 495 224.96 2204.57 302 650 26" 165 1015 490 525 288.26 2824.96 340 700 28" 165 1070 515 555 351.57 3445.34 420 750 30" 190 1140 550 590 427.3 4187.58 493 800 32" 190 1232 592 640 503.04 4929.83 603 850 34" 210 1262 612 650 582.17 5705.3 726 900 36" 203 1358 658 700 723.48 7090.09 907 1000 40" 216 1555 725 830 970 9506 1229
FOLD
ELECTRIC ACTUATOR TYPE : 50A(2") ~ 400A(16")

1. FLANGE RATING : JIS, PN, ANSI B 16.5 CALSS 150
2. FACE TO FACE : ISO 5752
VALVE DIMENSION(unit : mm)`SIZE L APPROX. TORQUE TABLE WEIGHT(APPROX.)(kg) 10bar mm(A) inch H H1 H2 kg-m Nm 50 2" 43 183 55 128 1.13 11.08 15 65 2.5" 46 206 66 140 1.58 15.51 16 80 3" 46 225 75 150 2.03 19.94 16 100 4" 52 260 95 165 2.26 22.16 17 125 5" 56 293 115 178 3.39 33.23 18 150 6" 56 320 130 190 4.3 42.1 22 200 8" 60 385 155 230 18.48 181.48 31 250 10" 68 485 215 270 29.05 284.71 55 300 12" 78 561 251 310 39.57 387.74 67 350 14" 78 605 270 335 65.57 642.54 97
FOLD
ELECTRIC ACTUATOR TYPE : 450A(18") ~ 1000A(40")

1. FLANGE RATING : JIS, PN, ANSI B 16.5 CALSS 150
2. FACE TO FACE : ISO 5752
VALVE DIMENSION(unit : mm)`SIZE L APPROX. TORQUE TABLE WEIGHT(APPROX.)(kg) 10bar mm(A) inch H H1 H2 kg-m Nm 400 16" 102 695 325 370 81.39 797.63 128 450 18" 114 714 324 390 111.35 1091.21 154 500 20" 127 770 355 415 156 1528.8 224 550 22" 154 887 425 462 175.22 1717.13 224 600 24" 154 920 425 495 224.96 2204.57 337 650 26" 165 1015 490 525 288.26 2824.96 375 700 28" 165 1070 515 555 351.57 3445.34 457 750 30" 190 1140 550 590 427.3 4187.58 528 800 32" 190 1232 592 640 503.04 4929.83 638 850 34" 210 1262 612 650 582.17 5705.3 776 900 36" 203 1358 658 700 723.48 7090.09 957 1000 40" 216 1555 725 830 970 9506 1284
FOLD
